Область применения:
Данные изделия предназначены для соединения алюминиевых и медных жил кабеля с изоляцией: бумажной маслопропитанной, пластиковой, резиновой, сшитого полиэтилена. Для кабеля с рабочим напряжением 0,6; 1; 3; 6; 10 кВ. Закрепление соединителя на жиле кабеля осуществляется болтами со срывной головкой, которая скручивается при достижении определенного усилия, обеспечивая надежное соединение. Изготавливается с монолитной или впрессованной перегородкой.
Не подлежит обязательной сертификации.
* По предварительному заказу возможно изготовление с гальваническим покрытием и других типоразмеров.
| Тип изделия | Расположение болтов | Наименование | Особенность |
| Наконечники | Прямое | 1ЭНБ-10/25 | |
| 2ЭНБ-25/50 | |||
| 2ЭНБ-70/120 | |||
| 2ЭНБ-70/120-У | Отверстие под шпильку 16,5 | ||
| 2ЭНБ-150/240 | |||
| 2ЭНБ-150/240-У | Отверстие под шпильку 16,5 | ||
| V-образное | 2ЭНБ-V-25/50 | ||
| 2ЭНБ-V-70/120 | |||
| 2ЭНБ-V-70/120-У | Отверстие под шпильку 16,5 | ||
| 2ЭНБ-V-150/240 | |||
| 2ЭНБ-V-150/240-У | Отверстие под шпильку 16,5 |
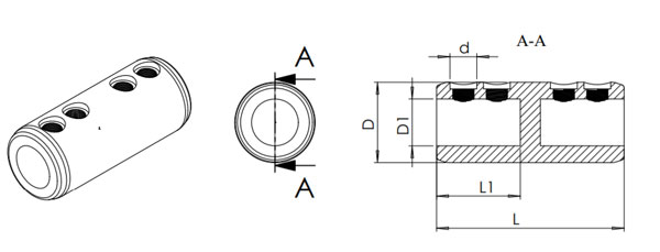
| Кол-во болтов | d | L | L1 | D | D1 |
| 2 | 12 | 50 | 24 | 16 | 8,9 |
| 4 | 12 | 66 | 32 | 20 | 11 |
| 4 | 17 | 89 | 43 | 28 | 17 |
| 4 | 17 | 110 | 54 | 38 | 26 |
| 4 | 17 | 110 | 54 | 38 | 26 |
| 4 | 17 | 110 | 54 | 37 | 25 |
| 4 | 12 | 70 | 35 | 19,7 | 9,9 |
| 4 | 17 | 93 | 45 | 22,7 | 14,9 |
| 4 | 22 | 114 | 56 | 37,7 | 20,9 |
1 ЭСБ
| Тип | Номинальное сечение | Кол-во болтов | d | L | L1 | D | D1 |
| 2ЭСБ-10/25 | 10/25 | 2 | 12 | 50 | 24 | 16 | 8,9 |
2 ЭСБ
| Тип | Номинальное сечение | Кол-во болтов | d | L | L1 | D | D1 |
| 4ЭСБ-25/50 | 25/50 | 4 | 12 | 66 | 32 | 20 | 11 |
| 4ЭСБ-70/120 | 70/120 | 4 | 17 | 89 | 43 | 28 | 17 |
| 4ЭСБ-70/120-1 | 70/120-1 | 4 | 17 | 110 | 54 | 38 | 26 |
| 4ЭСБ-150/240 | 150/240 | 4 | 17 | 110 | 54 | 38 | 26 |
| 4ЭСБ-150/240-1 | 150/240-1 | 4 | 17 | 110 | 54 | 37 | 25 |
2 ЭСБ-V
| Тип | Номинальное сечение | Кол-во болтов | d | L | L1 | D | D1 |
| 4ЭСБ-V-25/50 | 25/50 | 4 | 12 | 70 | 35 | 19,7 | 9,9 |
| 4ЭСБ-V-70/120 | 70/120 | 4 | 17 | 93 | 45 | 22,7 | 14,9 |
| 4ЭСБ-V-150/240 | 150/240 | 4 | 22 | 114 | 56 | 37,7 | 20,9 |